от 4 294 ₽
Нашли дешевле?
Наличие уточняйте у наших менеджеров
Цены
Траверса ТМ-72 (Zn)
7 084 ₽
/шт Траверса ТМ-72 (эмаль)
4 294 ₽
/шт
Описание
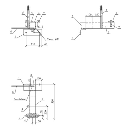
Траверсы ТМ-72 (проект 27.0002-37) используются в период установки анкерных опор и монтажа высоковольтных ЛЭП 10 кВ для крепления провода к стойкам.
Крепление траверсы ТМ-72 к стойкам СВ105 и СВ110 производится при помощи специальных хомутов марок Х-1 и Х-42 соответственно. Клиентам поставка данных хомутов осуществляется по отдельному заказу.
Углеродистая сталь высокого качества является материалом для изготовлениятраверсы ТМ-72, а битумный лак БТ-577 обеспечивает надежное антикоррозийное покрытие и долговечность.
Вес: 17.5 кг
Спецификация траверсы ТМ-72:
| ПОЗИЦИЯ | НАИМЕНОВАНИЕ ДЕТАЛИ | КОЛИЧЕСТВО | МАССА, КГ |
| 1 | Уголок 100х100х8 ГОСТ 8509-93 L=290 | 1 | 10.55 |
| 2 | Уголок 100х100х8 ГОСТ 8509-93 L=200 | 1 | |
| 3 | Уголок 100х100х8 ГОСТ 8509-93 L=450 | 1 | |
| 4 | Круг 16 ГОСТ 8509-93 L=254 | 2 | |
| 5 | Круг 30 ГОСТ 2590-88 L=360 | 2 | |
| 6 | Круг 10 ГОСТ 2590-88 L=560 | 1 | |
| 7 | Серьга С 7-16 | 1 |
