от 444 ₽
Нашли дешевле?
Наличие уточняйте у наших менеджеров
Цены
Траверса ТН-7 (Zn)
729 ₽
/шт Траверса ТН-7 (эмаль)
444 ₽
/шт
Описание
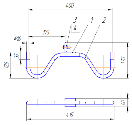
Траверсы ТН-7 производится по типовому проекту 3.407.1-136 выпуск 1 (лист 3.407.1-136.3-26)
Траверса ТН-7 применяется для одинарного крепления проводов при установке опор воздушных низковольтных ЛЭП напряжением 0,4 кВ. Штыри траверсы предназначены для установки изоляторов и их крепления колпачками соответствующего типа. Траверса на опоре закрепляется при помощи хомута. Выбор типа хомута производится под конкретную опору. Для опоры СВ95 применяется хомут Х-10, а для опоры СВ105 - хомут Х-42. Комплектация траверсы ТН-7 хомутом выполняется по отдельному заказу.
Вес: .1.3 кг
Спецификация траверсы ТН-7:
|
НАИМЕНОВАНИЕ ДЕТАЛИ |
КОЛИЧЕСТВО |
МАССА, КГ |
|
| 1 |
Уголок 50х50х5 ГОСТ8509-85 L=40 |
1 | 1.3 | |
| 2 | Круг 16 ГОСТ 2590-710 | 1 | ||
| 3 | Болт 16х25 ГОСТ 7798-70 | 1 | ||
| 4 | Гайка М10 ГОСТ5915-70 | 1 |
