от 808 ₽
Нашли дешевле?
Наличие уточняйте у наших менеджеров
Цены
Траверса ТН-29 (Zn)
1 330 ₽
/шт Траверса ТН-29 (эмаль)
808 ₽
/шт
Описание
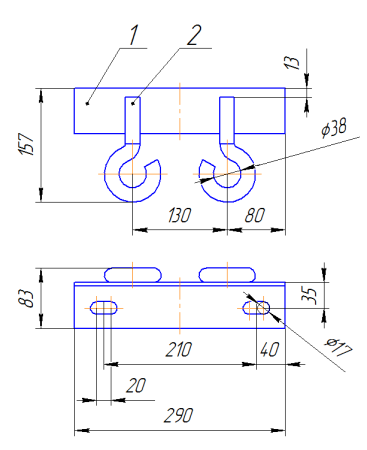
Траверсы ТН-29 производятся в соответствии с типовым проектом 21.0003-16
Траверса ТН-29 предназначена для одинарного крепления проводов на опорах при прокладке низковольтной линии номинальным напряжением 0,4 кВ. Дополнительно к траверсе требуется приобрести хомут, необходимый для крепления траверсы к опоре. Существует много типоразмеров хомутов, обеспечивающих крепление ко всем видам опор. Выбирать хомут следует к опоре конкретного вида. Например, на опоре СВ105 траверса устанавливается с хомутом Х-42, а при установке на опоре СВ95 необходим хомут Х-10.
Вес: 2.9 кг
Спецификация траверсы ТН-28:
|
НАИМЕНОВАНИЕ ДЕТАЛИ |
КОЛИЧЕСТВО |
МАССА, КГ |
||
| 1 |
Уголок 63х63х5 ГОСТ8509-86 |
1 | 4.2 | ||
| 2 | Круг 20 ГОСТ 2590-88, L=233 | 4 |
