от 1 573 ₽
Нашли дешевле?
Наличие уточняйте у наших менеджеров
Цены
Траверса ТН-28 (Zn)
2 594 ₽
/шт Траверса ТН-28 (эмаль)
1 573 ₽
/шт
Описание
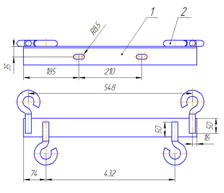
Траверсы ТН-28 выпускаются согласно типового проекта 21.0003-15
Одинарное крепление проводов на опорах при прокладке низковольтных воздушных линий напряжением 0,4 кВ выполняется с применением траверсы ТН-28. Для установки траверсы на опору требуется специальный хомут, которым крепится траверса. Существует много видов хомутов, предназначенных для разных опор. Стандартный комплект поставки траверсы не включает хомут. Хомут заказывается отдельно для каждой из опор. На опоре СВ95 траверсы закрепляются хомутами Х-10, а при креплении на опоре СВ105 используется хомут Х-42.
Вес: 5.1 кг
Спецификация траверсы ТН-28:
|
НАИМЕНОВАНИЕ ДЕТАЛИ |
КОЛИЧЕСТВО |
МАССА, КГ |
||
| 1 |
Уголок 63х63х5 ГОСТ8509-86 |
1 | 5.1 | ||
| 2 | Круг 20 ГОСТ 2590-88, L=233 | 4 |
