от 853 ₽
Нашли дешевле?
Наличие уточняйте у наших менеджеров
Цены
Траверса ТН-2 (Zn)
1 403 ₽
/шт Траверса ТН-2 (эмаль)
853 ₽
/шт
Описание
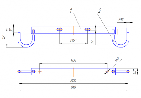
Траверсы ТН-2 производится в соответствии с типовым проектом 3.407.1-136 выпуск 1 (лист 3.407.1-136.01.02)
Траверса ТН-2 предназначена для осуществления одинарного крепления проводов, выполняемого при установке опор для воздушных линий электропередач напряжением 0,4 кВ. На приваренные к траверсе штыри могут устанавливаться изоляторы типа НС-20, НФО-18, ТФ-20 и колпачок Кп-18. Крепление траверсы к опорам осуществляется с помощью хомутов через два овальных отверстия. Хомуты подбираются для конкретного типа стойки. Например, для стойки СВ105 требуется хомут Х-42, а для стойки СВ95 - хомут Х-10.
Вес: 2.7 кг
Спецификация траверсы ТН-2:
|
НАИМЕНОВАНИЕ ДЕТАЛИ |
КОЛИЧЕСТВО |
МАССА, КГ | |
| 1 |
Уголок 50х50х4 ГОСТ8509-72 L=430 |
1 |
2.70 |
|
| 2 | Круг 18 ГОСТ2590-71 L=355 | 2 |
