от 1 523 ₽
Нашли дешевле?
Наличие уточняйте у наших менеджеров
Цены
Кронштейн РА-2 (Zn)
2 326 ₽
/шт Кронштейн РА-2 (эмаль)
1 523 ₽
/шт
Описание
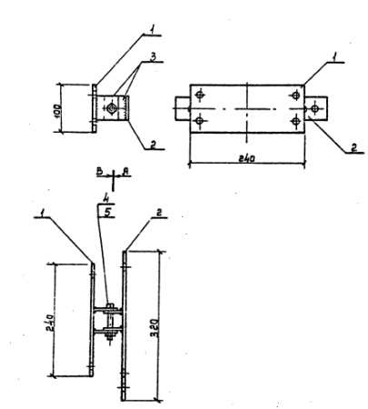
Назначение кронштейна РА-2 - установка разъединителя РЛНД на стойке опор воздушных ЛЭП номинальным напряжением 10 кВ. Для крепления кронштейна к стойкам СВ105-110 необходимы хомуты типа Х-8, для крепления к железобетонным стойкам СНВ-7-13 требуются хомуты типа Х-40. Заказ и поставка хомутов для крепления кронштейна осуществляются отдельно.
Габаритные размеры: 50х100х320 мм
Спецификация кронштейна РА-2:
| ПОЗИЦИЯ | НАИМЕНОВАНИЕ ДЕТАЛИ | КОЛИЧЕСТВО | МАССА, КГ |
| 1 |
Полоса 5х100 ГОСТ103-76 |
1 | 8 |
| 2 | Полоса 5х50 ГОСТ103-76 | 1 | |
| 3 | Полоса 5х50 ГОСТ103-76 | 4 | |
| 4 | Болт М12х40 ГОСТ7798-70 | 1 | |
| 5 | Гайка М12 ГОСТ5915-70 | 1 |
