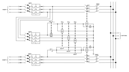
Характеристики
Масса, кг не более
—
54
Срок службы, не менее
—
15
Климатическое исполнение
—
У3
Тип исполнения шкафа
—
навесной
Габаритные размеры ДхШхВ, мм
—
600х450х1950
Транспортный габарит ДхШхВ, мм
—
600х450х1950
69 116.30 ₽ /шт
72 754 ₽
-5%
Экономия 3 637.70 ₽
Варианты цен
69 116.30 ₽ /шт
72 754 ₽
-5%
Экономия 3 637.70 ₽
Нашли дешевле?
В корзину
Купить в 1 клик
Наличие уточняйте у наших менеджеров
